Ncej Swaying Model DSU Series

Xa kev nug
Ncej Swaying Model DSU Series
Paub meej
G + DSU series nta cov zis ncej muaj peev xwm ntawm kev sib hloov sib hloov txav los yog sab laug- txoj cai viav vias, nrog rau nce - nqes rov ua haujlwm, ua kom cov cuab yeej hloov mus rau ntau yam kev ua haujlwm nyuaj.
Dav siv nyob rau hauv cov khoom siv automation nrog siab -precision thiab siab- khiav ceev, xws li cov kab sib dhos, ntim tshuab, thiab tshuab conveyor.
Kev faib tawm yam khoom
DSU Series Ncej Swaying Model
Share to

cam indexer dsu1

cam indexer dsu2

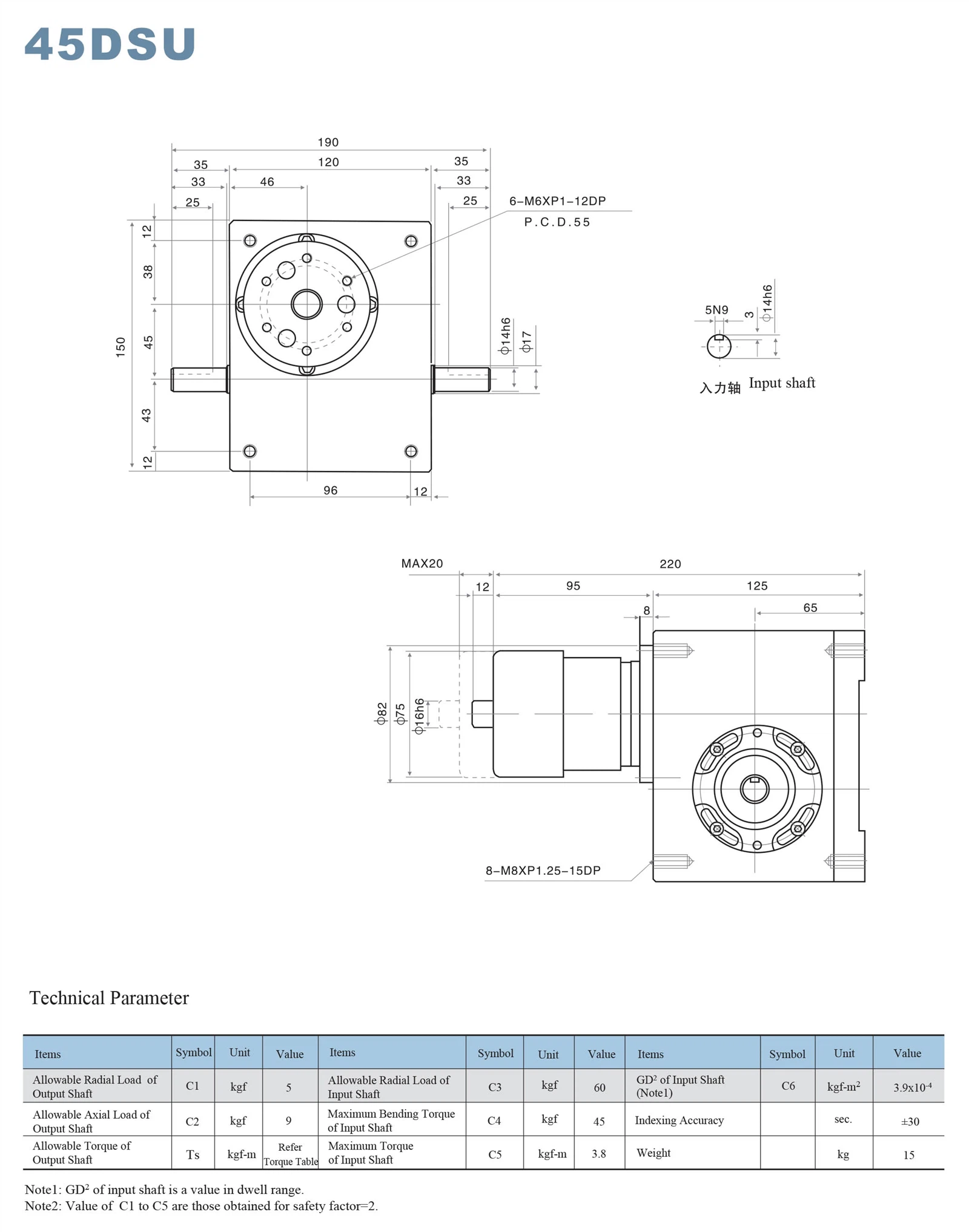
45DSU

60DSU

70DSU

80DSU

110DSU

Cim npe nrov: ncej swaying qauv dsu series, Tuam Tshoj, manufacturers, lwm tus neeg, Hoobkas, zoo

Xa kev nug